Irrigation & Water Treatment Design for CEA Facility

I’m Interested

Location Welland, Ontario
Year
2019-2020
Client
Vision Greens / Intravision Group
Services
Consulting & Design
Scope
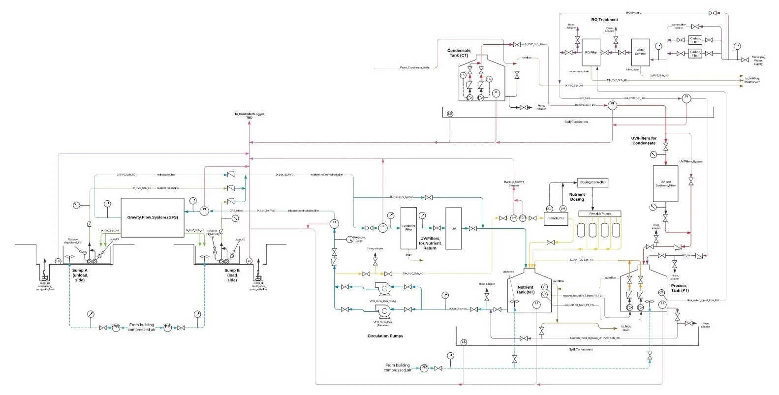
20,000 sqft facility, 5,500 sqft grow room with 13 levels of vertically stacked production, 27,500 L of water storage

WaterFarmers undertook technical design for water treatment, irrigation system, fertilizer systems, pump specification and piping layout to support a large commercial indoors CEA hydroponics facility. We worked closely with project management and designers of the growing system to integrate our systems into the larger facility design. As part of this project we produced 3D models, detailed 2D drawings, and process and instrumentation diagrams of the systems.

Contact Us
Previous
Previous

Indoor Mushroom Farm

Next
Next

Market Farm Irrigation System Design