Market Farm Irrigation System Design

I’m Interested

Location Hamilton Ontario, Ontario
Year
2021
Client
Mad Meadow Farm
Services
Consulting & Design
Scope
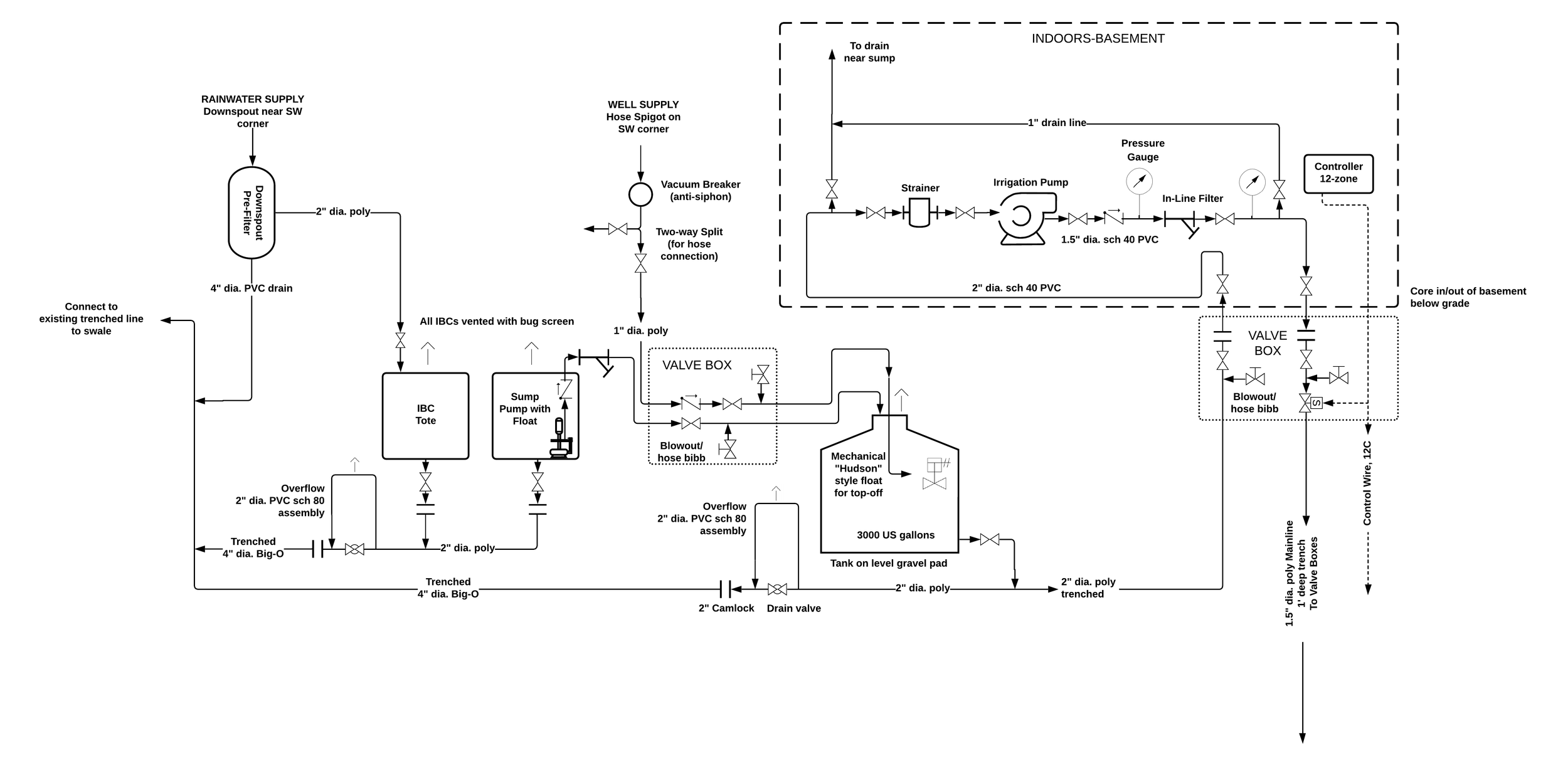
3,000 gallon irrigation tank, 2,000 L rainwater collection, 10-zone system covering 2 acres

WaterFarmers worked with a new owner of market farm to add irrigation to their fields, as plans for the season progressed we adapted and added extra zones and capacity to the system. Head requirements based on drip and spray irrigation of row crops were calculated to inform main line and pump sizing.

Contact Us
Previous
Previous

Irrigation & Water Treatment Design for CEA Facility

Next
Next

Urban Farming Educational Facility